Вы здесь →
Экскаватор-погрузчик LONKING 84C
7 500 000,00₽
Экскаватор-погрузчик LONKING 84С в комплектации: двигатель WEICHAI WP4G100E220, 74 кВт / 100 л.с. с механическим ТНВД Евро II, трансмиссия CARRARO, равновеликие колеса шины 16.9-28R-4 18PR, телескопическая рукоять с гидролиниями для молота и бура, кабина FOPS/ROPS, управление оборудованием джойстики – интегрированы в поворотное кресло оператора, пневматическое кресло оператора с подогревом кондиционер, отопитель, аутригеры тип H, механическое быстросъемное соединение на экскаваторном ковше, челюстной погрузочный ковш 6 в 1, емк. 1,3 куб.м., экскаваторный ковш емк. 0,26 куб.м.
Базовая гарантия на экскаватор: 2000 моточасов или 12 месяцев в зависимости от того, что наступит раньше.
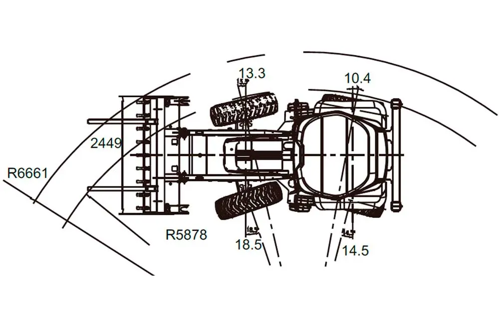
ТЕХНИЧЕСКИЕ ХАРАКТЕРИСТИКИ ЭКСКАВАТОРА-ПОГРУЗЧИКА LONKING 84C
| Модель двигателя | |
| Мощность двигателя, л.с. (кВт) | |
| Максимальный крутящий момент, Н.м | |
| Объем двигателя, л | |
| Трансмиссия переключение 4WD / 2WD | |
| Мосты (мокрого типа) | |
| Ось рулевого управления | |
| Гидрораспределитель | |
| Гидравлический насос | |
| Тип гидравлического насоса, л/мин | |
| Расход основного насоса, л/мин | |
| Давление гидравлической системы, МПа | |
| Максимальная скорость вперед, км/ч | |
| Максимальная скорость назад, км/ч | |
| Максимальное тяговое усилие, кН | |
| Количество передач вперед / назад | |
Рабочие параметры фронтального погрузчика | |
| Объем ковша погрузчика, м3 | |
| Высота выгрузки, мм | |
| Вырывное усилие, г/ц ковша, кН | |
Рабочие параметры экскаваторного оборудования с телескопической рукоятью | |
| Объем ковша экскаватора, м3 | |
| Максимальная глубина копания, мм | |
| Максимальная высота копания, мм | |
| Максимальная высота погрузки / загрузки, мм | |
| Максимальный вылет от оси поворотной каретки, мм | |
| Максимальное усилие создаваемое г/ц ковша, кН | |
| Шины, PR | |
| Дорожный просвет, мм | |
| Эксплуатационная масса, кг | |
| Д х Ш х В, мм | |
Ёмкости | |
| Топливный бак, л | |
| Гидравлический бак, л | |
СТАНДАРТНАЯ КОМПЛЕКТАЦИЯ | |
| Кабина ROPS & FOPS, кондиционер, отопитель, управление: джойстики. Поворотное сиденье с джойстиками. | |
| Блокировка дифференциала заднего моста. | |
| SRS - электрогидравлическая система гашения колебаний при движении | |
| Автоматическое самовыравнивание ковша по горизонту | |
| Плавающий ковш - г/цилинды стрелы выравнивают ковш по рельефу поверхности | |
| LED-оптика / Аудиоподготовка: колонки + МР3 проигрыватель | |












Отзывы
Отзывов пока нет.